- 手機:13082702222
- 電話:0533-4680529
- 傳(chuan)真:0533-4684298
- 地址:山東省淄(zi)博市博山區白塔(ta)鎮家有❌色邻图片㊙️張博路小海眼(yan)工業園2号
- 郵編:255202
- 郵(yóu)箱:[email protected]
- 網址:https://hjtnt.cc
往複泵旋(xuan)片泵
山東飛耐泵(beng)業有限公司高新(xin)技術企業提供泵(beng)類産品一站式購(gou)齊服務
當前所在(zai)位置:首頁 > 産品展(zhǎn)示 > 往複泵旋片泵(bèng)
産品名稱:W、WY往複真(zhen)空泵
發布時間:2025-12-09 17:00:00 點(dian)擊:

| ||||||||||||||||||||||||||||||||||||||||||||||||||||||||||||||||||||||||||||||||||||||||||||||||||||||||||||||||||||||||||||||
技術參(cān)數 | ||||||||||||||||||||||||||||||||||||||||||||||||||||||||||||||||||||||||||||||||||||||||||||||||||||||||||||||||||||||||||||||
| ||||||||||||||||||||||||||||||||||||||||||||||||||||||||||||||||||||||||||||||||||||||||||||||||||||||||||||||||||||||||||||||
W3往(wǎng)複式真空泵安裝(zhuang)尺寸圖: | ||||||||||||||||||||||||||||||||||||||||||||||||||||||||||||||||||||||||||||||||||||||||||||||||||||||||||||||||||||||||||||||

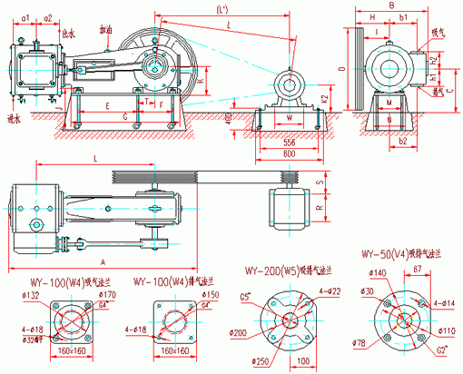
WY-50(V5)、WY-100(W4)、WY-200(W5)往(wang)複式真空泵安裝(zhuang)尺寸圖:
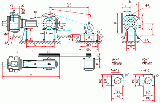
W4-1、W5-1往複式真空(kōng)泵安裝尺寸圖:
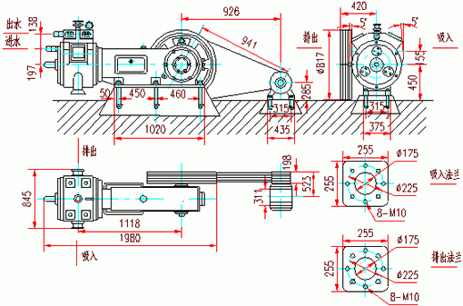
W300往複(fú)式真空泵安裝尺(chi)寸圖:
| ||||||||||||||||||||||||||||||||||||||||||||||||||||||||||||||||||||||||||||||||||||||||||||||||||||||||||||||||||||||||||||||||||||||||||||||||||||||||||||||||||||||||||||||||||||||||||||||||||||||||||||||||||||||||||||||||
上一(yi)篇:WL WLW立式往複泵 下(xia)一篇:暫無内容!






